spring or no spring

Discuss all things 1970 & later Airheads right here.
Post Reply
billy192
Posts: 22
Joined: Thu Aug 08, 2024 2:58 pm

spring or no spring

Post by billy192 »

hi,
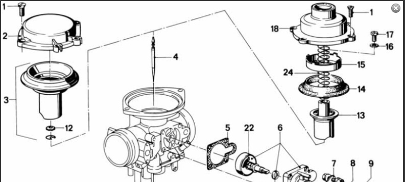
I am stripping a 1980 R80/7 and removed the carbs and stripped for a ultra sonic clean. they are bing 64-2 type carbs. all other CV carbs i have worked on have a long spring n the centre lifting the slide. but,,, there is no spring in either carb and looking at the manual i think it suggests on my flat toped carbs there is no spring. so am i correct in thinking there is no spring?

mine is the centre pic
Attachments
springnospring.jpg
springnospring.jpg (580.82 KiB) Viewed 1916 times
User avatar
gspd
Posts: 1123
Joined: Tue Aug 03, 2010 8:04 pm

Re: spring or no spring

Post by gspd »

flat top = no spring
Attachments
Untitled.jpeg
Untitled.jpeg (69.59 KiB) Viewed 1902 times
Mechanic from Hell
"I remember every raging second of it...
My bike was on fire, the road was on fire, and I was on fire.
It was the best ride ever!"
User avatar
melville
Posts: 1851
Joined: Tue Aug 03, 2010 8:32 am

Re: spring or no spring

Post by melville »

Some of them do have it and some of them don't.

My dome top #64 carbs (32mm) don't have the spring but my #94 carbs (40mm) do have the spring.
Call me Mel. Some years ago- never mind how long precisely- having little or no money in my purse, and nothing particular to interest me at home, I thought I would ride about a little and see the other parts of the world.
barryh
Posts: 795
Joined: Fri Oct 01, 2010 12:30 pm

Re: spring or no spring

Post by barryh »

Definitely no spring on the flat tops. Mine didn't have the springs from new.

The design purpose of a spring where fitted was not to close the slide but to tune the response of the carb - basically an accelerator pump effect that provides some initial enrichment when the throttle is opened.
barry
Cheshire
England
billy192
Posts: 22
Joined: Thu Aug 08, 2024 2:58 pm

Re: spring or no spring

Post by billy192 »

thanks guys,
i now 2 new springs spare
Post Reply