Hello,
I just installed a new 12v30ah battery on my '78 r100s and immediately the handlebar kill/run switch smoked and burnt out. I have the same battery in my r60/6 with no problems. Wondering if anyone would know if the difference of 2ah from the stock 12v28ah battery is causing the short and thoughts on bypassing the kill switch or rewiring the switch with higher guage wire?
Any thoughts greatly appreciated.
Thanks,
George
'78 R100s kill switch fried
-
- Posts: 1338
- Joined: Thu Aug 26, 2010 2:11 pm
- Location: Scotland UK, 20 miles from civilisation up a dead end road!
- Contact:
Re: '78 R100s kill switch fried
Nothing to do with the battery... the amp/hour rating has absolutely no effect on the current passing through a given circuit!
You have a short circuit somewhere in the wiring after the 'Kill switch'.
Trouble shoot the wiring and components after the switch and find the short... do not fudge it. If you just wire round the switch with heavy gauge wire, you're likely to set fire to the bike. Find the fault and fix it.
If you're not confident when it comes to electrics, far better to refer to problem to a competent auto electrician than risk losing the bike.
Not trying to be disparaging, the sort of current drain you have observed is dangerous!
Rob
You have a short circuit somewhere in the wiring after the 'Kill switch'.
Trouble shoot the wiring and components after the switch and find the short... do not fudge it. If you just wire round the switch with heavy gauge wire, you're likely to set fire to the bike. Find the fault and fix it.
If you're not confident when it comes to electrics, far better to refer to problem to a competent auto electrician than risk losing the bike.
Not trying to be disparaging, the sort of current drain you have observed is dangerous!
Rob
Re: '78 R100s kill switch fried
Thank you very much Rob.
I'm not the best with the electrics and previous owner had rewired bike completely. I don't think its 100% consistent with factory wiring diagram.
Bike seemed to be running fine before the battery change. Any thoughts where to get started troubleshooting? Not sure what is meant by "after the kill switch".
I'm not the best with the electrics and previous owner had rewired bike completely. I don't think its 100% consistent with factory wiring diagram.
Bike seemed to be running fine before the battery change. Any thoughts where to get started troubleshooting? Not sure what is meant by "after the kill switch".
Re: '78 R100s kill switch fried
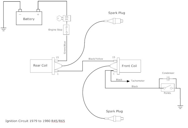
A full circuit diagram can be daunting to follow if you are not used to doing so. For fault finding at the side of the road I produced a simple diagram of just the ignition circuit. It's not specifically for a 78 R100 but it should be the same in principle as you should also have points ignition and two 6v coils albeit mounted in different locations. I would expect BMW to have used the same wire colors. If that is so there should be a Green/Blue wire from the stop switch or kill switch to terminal 15 on one of the coils. that will be the first wire to check for a short circuit. Of course this will all depend on the ignition system and wire colors being stock. Even if it isn't stock the ignition circuit is really very simple when viewed in isolation like this.
barry
Cheshire
England
Cheshire
England
Re: '78 R100s kill switch fried
Thank you barryh.
Attached is photo from today. The wire is fried from the kill switch, thru the headlight, to the coil. I assume I will have to run a new wire thru the entire run. No fun, but manageable.
My real question is, is this the culprit or a casualty from another short? I looked at everything from the kill switch thru to tail light (per green line in wire diagram below) and didn't see anything that looked exposed that could cause short. Just trying to be cautious. Would greatly appreciate any thoughts here.
Thanks,
Attached is photo from today. The wire is fried from the kill switch, thru the headlight, to the coil. I assume I will have to run a new wire thru the entire run. No fun, but manageable.
My real question is, is this the culprit or a casualty from another short? I looked at everything from the kill switch thru to tail light (per green line in wire diagram below) and didn't see anything that looked exposed that could cause short. Just trying to be cautious. Would greatly appreciate any thoughts here.
Thanks,
Re: '78 R100s kill switch fried
The question is whether the fault was at the kill switch or whether a short elsewhere caused the wire to burn out at the kill switch.
My simplistic diagram showed a single wire from the kill switch to the coil but of course there are connections on the way. I would try to isolate different sections of the wire including the sections to the starter relay and indicator relay then test for a short to earth. It may then be possible to replace only the faulty section of the wire but that would depend on how much damage has been done to the insulation of the wire along it's length. If you have to undo the harness to inspect it along it's whole length you might as well replace it at he same time.
My simplistic diagram showed a single wire from the kill switch to the coil but of course there are connections on the way. I would try to isolate different sections of the wire including the sections to the starter relay and indicator relay then test for a short to earth. It may then be possible to replace only the faulty section of the wire but that would depend on how much damage has been done to the insulation of the wire along it's length. If you have to undo the harness to inspect it along it's whole length you might as well replace it at he same time.
barry
Cheshire
England
Cheshire
England
-
- Posts: 1338
- Joined: Thu Aug 26, 2010 2:11 pm
- Location: Scotland UK, 20 miles from civilisation up a dead end road!
- Contact:
Re: '78 R100s kill switch fried
I would suggest that the fault is unlikely to be at the switch itself... not impossible but unlikely. The symptoms appear at the switch because that is the 'pinch point' for the current. The fact that the wiring is melted suggests that the problem is elsewhere.
The fact that the wiring isn't stock is a problem because it makes it difficult to interpret the evidence given... however... looking at the third image, I would think it likely that the melted wire is the wire from the kill switch to the coil. Assuming this to be correct, the black wire between the two coils seems to be OK. This would seem to indicate that the short circuit is either a faulty coil with a direct short to ground or something else connected to the same terminal on the coil. The stock wiring diagram shows nothing else connected at the coil terminal.
OK, second assumption is that the machine has stock 'points' ignition. This is important because many, even most, aftermarket electronic ignition systems draw power from the positve coil terminal. I.e. the terminal with the melted wire. That being said, it's also a fairly common place to pick up a supply for a number of other accessories.
OK again... 1) if the melted wire goes to the coil, there is not obvious short circuit (i.e. bare wires and signs of burning) before it gets there, and if there is nothing else connected to the same terminal, I would suggest that the fault is highly likely to be a faulty coil with an internal short to the case... Not very common but not unheard of.
2) if there is a second wire to the terminal on the coil and this shows no signs of overheating, then the fault is still probably at the coil...
3) If there is a second wire and this shows signs of overheating, then the issue is going to be with whatever is connected via that wire... can't go any further than that.
Whatever the cause, you are going to have to replace that wire before you try any trouble shooting.
Rob
The fact that the wiring isn't stock is a problem because it makes it difficult to interpret the evidence given... however... looking at the third image, I would think it likely that the melted wire is the wire from the kill switch to the coil. Assuming this to be correct, the black wire between the two coils seems to be OK. This would seem to indicate that the short circuit is either a faulty coil with a direct short to ground or something else connected to the same terminal on the coil. The stock wiring diagram shows nothing else connected at the coil terminal.
OK, second assumption is that the machine has stock 'points' ignition. This is important because many, even most, aftermarket electronic ignition systems draw power from the positve coil terminal. I.e. the terminal with the melted wire. That being said, it's also a fairly common place to pick up a supply for a number of other accessories.
OK again... 1) if the melted wire goes to the coil, there is not obvious short circuit (i.e. bare wires and signs of burning) before it gets there, and if there is nothing else connected to the same terminal, I would suggest that the fault is highly likely to be a faulty coil with an internal short to the case... Not very common but not unheard of.
2) if there is a second wire to the terminal on the coil and this shows no signs of overheating, then the fault is still probably at the coil...
3) If there is a second wire and this shows signs of overheating, then the issue is going to be with whatever is connected via that wire... can't go any further than that.
Whatever the cause, you are going to have to replace that wire before you try any trouble shooting.
Rob
Re: '78 R100s kill switch fried
Immediately when you connected the battery, or immediately when you turned on the ignition?
Was the bike running before you replaced the battery?
Mechanic from Hell
"I remember every raging second of it...
My bike was on fire, the road was on fire, and I was on fire.
It was the best ride ever!"
"I remember every raging second of it...
My bike was on fire, the road was on fire, and I was on fire.
It was the best ride ever!"
Re: '78 R100s kill switch fried
Hi gspd,
Immediately started smoking after I turned the kill switch from 'Stop' to 'Run'. Never turned on the ignition. When I smelled the smoke I turned the switch to 'Stop' and disconnected the battery, negative lead first.
Bike was running fine before I replaced the battery, but was unused for 2+ years.
Rob,
Thanks for that very detailed response. Going to look closer at the coils tomorrow. I did replace them myself about 4 years ago. Remembering back, I wasn't 100% sure on all the connections, but was running well after.
Thanks to you both.
Immediately started smoking after I turned the kill switch from 'Stop' to 'Run'. Never turned on the ignition. When I smelled the smoke I turned the switch to 'Stop' and disconnected the battery, negative lead first.
Bike was running fine before I replaced the battery, but was unused for 2+ years.
Rob,
Thanks for that very detailed response. Going to look closer at the coils tomorrow. I did replace them myself about 4 years ago. Remembering back, I wasn't 100% sure on all the connections, but was running well after.
Thanks to you both.
Re: '78 R100s kill switch fried
Is there any possibility that the replacement battery has the positive and negative poles located opposite of the other battery?
I've seen seemingly identical batteries with opposite pole locations.
Not sure what hooking one up backwards might cause, maybe Rob F could enlighten us on what would happen if a battery was actually hooked up in reverse.
I've seen seemingly identical batteries with opposite pole locations.
Not sure what hooking one up backwards might cause, maybe Rob F could enlighten us on what would happen if a battery was actually hooked up in reverse.
Mechanic from Hell
"I remember every raging second of it...
My bike was on fire, the road was on fire, and I was on fire.
It was the best ride ever!"
"I remember every raging second of it...
My bike was on fire, the road was on fire, and I was on fire.
It was the best ride ever!"