BMW touring panniers 3d key printing.

Discuss all things 1970 & later Airheads right here.
User avatar
SteveD
Posts: 5089
Joined: Tue Aug 03, 2010 3:29 am
Location: Melbourne, Oz.

BMW touring panniers 3d key printing.

Post by SteveD »

Image
I know nothing about 3D printing, nor do I have a 3D printer.
However, I have a mate that does and he's having a crack at making some blanks.

These keys are not much more than suitcase keys and it's only the first 4-5mm of the key that enters the lock.

Each differently coded key has the same cut.

Image
B0000931.png
B0000931.png (295.89 KiB) Viewed 17586 times
The point of difference to each code is the combination of the slotted keyways. Some are single sided slots, some double sided, some slots are square/rectangular and some are triangular shaped, central or edged.

Making the blank is likely the easy bit.

A work in progress. Hopefully there'll be a happy and functional ending :?:

EDIT: If anyone can be bothered, I'm after 3 pictures of each key, BY PM please (I've been lead to believe there are trust issues in the world and people might be roaming the streets looking to undo airhead pannier cases.)
If you do the pix, both sides and the view from the tip to see the keyway depth and shape. They're all cut the same so that's easy, the keyway profile provides the point of difference. I won't post them here.


Image Image
Attachments
First copy..jpg
First copy..jpg (206.28 KiB) Viewed 18286 times
Last edited by SteveD on Thu Dec 04, 2025 5:58 pm, edited 3 times in total.
Cheers, Steve
Victoria, S.E.Oz.


1982 R100RSR100RS supergallery. https://boxerboy81.smugmug.com/R100RS
2006 K1200R.
1994 R1100GS.
Mscutts
Posts: 10
Joined: Sun Mar 23, 2025 3:25 pm

Re: BMW classic panniers 3d key printing.

Post by Mscutts »

Interesting, good luck with the project, I have a vested interest. :)
User avatar
SteveD
Posts: 5089
Joined: Tue Aug 03, 2010 3:29 am
Location: Melbourne, Oz.

Re: BMW classic panniers 3d key printing.

Post by SteveD »

Mscutts wrote: Mon Dec 01, 2025 3:40 am Interesting, good luck with the project, I have a vested interest. :)
:) ;)
Cheers, Steve
Victoria, S.E.Oz.


1982 R100RSR100RS supergallery. https://boxerboy81.smugmug.com/R100RS
2006 K1200R.
1994 R1100GS.
Rob Frankham
Posts: 1405
Joined: Thu Aug 26, 2010 2:11 pm
Location: Scotland UK, 20 miles from civilisation up a dead end road!
Contact:

Re: BMW classic panniers 3d key printing.

Post by Rob Frankham »

Yes, interesting. I have done similar by cutting a blank from steel stock. The shank 'section' is the tricky bit.

My reservation about 3D printing is the durability of the key in normal use, especialy as, on some sections, the material is very thin. Would make a good emergency spare though. I'm sure someone with a CNC machine could turn them out by the dozen... in alumium alloy if they can't handle steel.

Rob
ImageImageImage
User avatar
SteveD
Posts: 5089
Joined: Tue Aug 03, 2010 3:29 am
Location: Melbourne, Oz.

Re: BMW classic panniers 3d key printing.

Post by SteveD »

Rob Frankham wrote: Mon Dec 01, 2025 9:59 am Yes, interesting. I have done similar by cutting a blank from steel stock. The shank 'section' is the tricky bit.

My reservation about 3D printing is the durability of the key in normal use, especialy as, on some sections, the material is very thin. Would make a good emergency spare though. I'm sure someone with a CNC machine could turn them out by the dozen... in alumium alloy if they can't handle steel.

Rob
The mate doing this also has a cnc machine. It's been mentioned :)

The durability has been the major point of discussion, but as the lock is a loose and easy suitcase style lock, it's worth a shot!
Cheers, Steve
Victoria, S.E.Oz.


1982 R100RSR100RS supergallery. https://boxerboy81.smugmug.com/R100RS
2006 K1200R.
1994 R1100GS.
Rob Frankham
Posts: 1405
Joined: Thu Aug 26, 2010 2:11 pm
Location: Scotland UK, 20 miles from civilisation up a dead end road!
Contact:

Re: BMW classic panniers 3d key printing.

Post by Rob Frankham »

Some people have all the luck :roll: I have to rely on a dremel and files and stones. I do have friends with 3d printing machines though.

Rob
ImageImageImage
User avatar
SteveD
Posts: 5089
Joined: Tue Aug 03, 2010 3:29 am
Location: Melbourne, Oz.

Re: BMW classic panniers 3d key printing.

Post by SteveD »

Stones! :)
I'm catching up with the lads (retired engineers who love to tinker with stuff, in a great shed!) next week for lunch. I expect we'll be discussing this little project.
As you know, part of the complexity is the total number of keys and that they all have a different keyway profile. No off to the locksmith to get one cut! I do have a drill press which might offer a solution with due thought but I'd rather a straight out single print procedure, one way or another.

Begs another question...how many keys are available? I seem to remember 068 as a high number. I wonder what the range is? EDIT: Code numbers range from 039 to 069 as per Snowbum (RIP).

If anyone can be bothered, I'm after 3 pictures of each key, BY PM please (I've been lead to believe there are trust issues in the world and people might be roaming the streets looking to undo airhead pannier cases.)
If you do the pix, both sides and the view from the tip to see the keyway depth and shape. They're all cut the same so that's easy, the keyway profile provides the point of difference.
Last edited by SteveD on Thu Dec 04, 2025 5:54 pm, edited 3 times in total.
Cheers, Steve
Victoria, S.E.Oz.


1982 R100RSR100RS supergallery. https://boxerboy81.smugmug.com/R100RS
2006 K1200R.
1994 R1100GS.
Rob Frankham
Posts: 1405
Joined: Thu Aug 26, 2010 2:11 pm
Location: Scotland UK, 20 miles from civilisation up a dead end road!
Contact:

Re: BMW classic panniers 3d key printing.

Post by Rob Frankham »

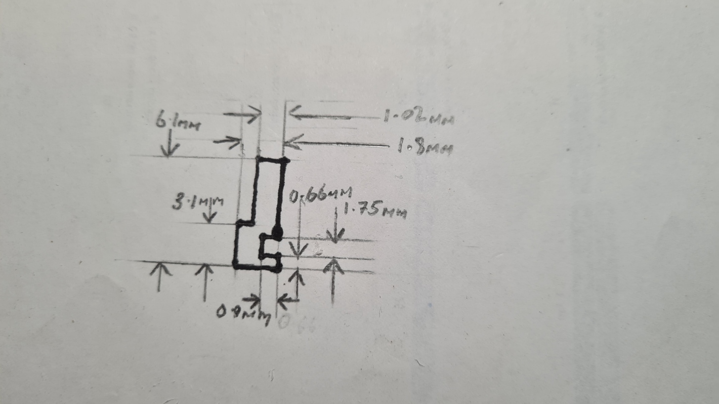
Herewith 4 photos of the 057 Key. Taking an image of the section was quite difficult so I've included a drawing of the end of the key with dimensions (Very much not to scale but the measurements are as good as a digital caliper can do (and a lot more accurate than necessary for the key to opperate)). Ok, I can only post 3 so the other one will be on an additional post...
Key 057 Top.jpg
Key 057 Top.jpg (201.47 KiB) Viewed 17708 times
Key 057 Profile (photo).jpg
Key 057 Profile (photo).jpg (187.64 KiB) Viewed 17708 times
Key 057 Bottom.jpg
Key 057 Bottom.jpg (161.04 KiB) Viewed 17708 times
ImageImageImage
Rob Frankham
Posts: 1405
Joined: Thu Aug 26, 2010 2:11 pm
Location: Scotland UK, 20 miles from civilisation up a dead end road!
Contact:

Re: BMW classic panniers 3d key printing.

Post by Rob Frankham »

One more image...
Key 057 Profile.jpg
Key 057 Profile.jpg (246.81 KiB) Viewed 17708 times
ImageImageImage
Rob Frankham
Posts: 1405
Joined: Thu Aug 26, 2010 2:11 pm
Location: Scotland UK, 20 miles from civilisation up a dead end road!
Contact:

Re: BMW classic panniers 3d key printing.

Post by Rob Frankham »

Nit picking maybe but to avoid confusion...

The panniers that these keys fit are normally referred to as 'Touring' panniers while the term 'Classic' or 'Krauser Classic' normally refers to the earlier more curved panniers. These used different latches and locks...

Rob
ImageImageImage
Post Reply